李培根
(福州华虹智能科技股份有限公司,福建福州350004)
摘 要:矿井瞬变电磁探测技术作为一种非接触式的快速勘探技术,在煤矿安全生产中发挥了重要的作用。巷道实际探测中,施工现场铁器、金属支护物等金属干扰体对数据采集产生重要影响。通过井下巷道探测环境,模拟分析重叠回线线圈周边不同位置存在金属干扰体时,瞬变电磁场的响应特征,获得巷道体积空间中测试响应强度与变化规律认识,为矿井瞬变电磁探测施工和结果判定工作提供参考。(福州华虹智能科技股份有限公司,福建福州350004)
关键词:瞬变电磁探测,金属干扰体,体积空间响应
煤炭作为我国经济发展主体能源的地位在今后相当长一段时期内不会改变,煤炭企业的安全生产问题也越来越受到重视。其中矿井水害问题也随着煤炭资源开采深度的增加变得更为突出,长期以来制约着我国煤炭安全高效开采。矿井瞬变电磁技术作为一种非接触式的快速勘探技术,在井下巷道内探查其周围空间异常富水体时直接采用线圈发射和接收信号,既适合井巷特殊条件又降低接地条件对探查结果的影响,其应用效果较好,应用范围甚广[1-4]。瞬变电磁探测的主要干扰来源于地电场、工频干扰和井下巷道中存在的各种金属干扰体,而地电场的影响是恒定的,不随探测激励电场而放大,作为背景场存在,对测量结果影响很小,工频的干扰可以通过仪器加以抑制,但巷道中存在的金属材料(锚杆锚网、铁轨、金属管路、各种电缆、工字钢、运输设备等)所产生的噪声随着激励电磁场的加大而加大,产生很强的瞬变电磁响应,是矿井瞬变电磁探测的主要噪音,对数据的采集和处理影响较大,降低了对岩层富水区域的预报准确性,有时还会造成误判[5-7]。因此,弄清巷道测试条件下不同金属构件所引起的干扰程度和条件,便于数据采集与处理技术应用,对提高探测效果有着举足轻重的作用。
2 实体试验方案设计
2.1 试验地点
为了研究井下巷道实际探测环境下,矿井瞬变电磁测试线圈附近金属物对瞬变电磁场产生的响应特征,试验对同一个探测目标体在不同金属物探测背景进行测量与对比分析。试验地点为福建将乐华虹矿井物探试验基地地下试验场(见图1),实验区地层是二叠系下统童子岩组地层,为海陆交互相含煤沉积,基本构造形态为一对斜卧背向斜。测试点位于试验场主巷入口处右侧往林坑下山20m处8号试验点,巷道标高+175m,探测目标岩性以泥质岩为主,其次为砂岩和粉砂岩。

图1 试验点位置示意图
图2为测试巷道测点分布平面图,测试时将边长2.0m的重叠回线线框悬挂在巷道左帮岩石上,现场总共布置测点62个。根据巷道条件现场共布置横向测线(沿巷道走向方向)7条,横线间距0.5m;同时形成沿线框法线方向的纵向测线6条,纵线间距1.0m(见图2)。

图2 试验点测试巷道测点分布平面图
2.3 数据采集
数据采集仪器为本公司自行研发的YCS80(A)型矿用瞬变电磁仪,重叠回线线框尺寸为2.0m×2.0m,其中发射和接收线框匝数分别为10匝和20匝;金属干扰试验铁板尺寸为1.5m×1.5m×0.005m,U型钢件长度为1.6m。
试验技术参数中发射频率选择8.3Hz,发射电流为2.6A,数据叠加次数为32。采样间隔为1μs,测道数为40,即可记录时长为26.478ms的感应信号。
实验时,全程固定重叠回线线框,将金属干扰体分别放置在各个测点处,采集干扰条件下瞬变电磁响应的二次场信号。如横测线1为测点1、2、3、4、5、6;纵测线1为测点1、7、14、22、31、41、52(见图2)。在进行铁板干扰体测试时,将铁板平面与线圈平面平行放置,并依次按各个测点移动,完成单条测线不同测点的瞬变电磁响应数据采集。U型钢条件测试时是在不同点竖直放置U型钢后,测试过程与铁板测试相同,采集瞬变电磁响应的二次场测量值。
3 测试结果与分析
1)背景测试。对于8号试验点瞬变电磁场背景测量,是在线圈固定,即将重叠回线线框悬挂固定在测点巷道左帮,其左右20m空间内无任何金属物干扰条件下连续测量5次,再将各测道电位值算术平均后作为背景,为后续比较提供依据。

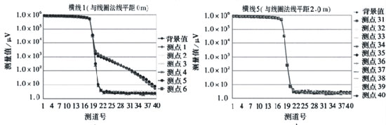
图3 铁板试验横测线电压-测道曲线图
通过数据抽取,可以获得沿线圈平面法线方向铁板平行放置时所产生的电磁感应场影响,图4为纵向测线1-6中各点对应的电压-测道曲线图。

图4 铁板试验纵测线电压-测道曲线图
纵横向测试结果分析,干扰场响应在线圈横侧向上减小幅度较法线平面方向大,如横向测线从第5测点(即铁板边缘离线框边2.0m)开始试验物的瞬变电磁场的响应值已全部减弱至与背景值同一个数量级,影响基本消失。
3)U型钢干扰试验。数据采集时U型钢竖直放置,沿横测线1、3、5、7的各个测点移动,获得U型钢在各测点时的瞬变电磁场响应。图5为U型钢沿这4条横测线所获得的电压-测道曲线结果。图6为U型钢在线圈法线平面方向影响特征分布结果,其测线分别为纵线1至纵线4。

图5 U型钢试验横测线电压-测道曲线图

图6 U型钢试验纵测线电压-测道曲线图
试验中铁板面积较大,与U型钢相比,两者的测试电压值相差100倍以上,表明金属物件的体积对测试结果影响程度差别明显。图7为各测线测点移动时其中的第22测道观测值的变化趋势,在线圈中心的法线方向和横侧向上,观测电位值随试验物件远离离开线圈,其响应值呈指数衰减,且在横向上其衰减的梯度明显大于法线方向,且有个拐点,出现在线圈内至线圈外的移动时,说明线圈正面框内金属干扰影响程度远较框外大。

图7 不同金属干扰条件下测道观测值的变化趋势
通过实际巷道不同金属物件对瞬变电磁场的干扰影响测试试验与分析,获得:
1)感应电磁场的分布在以重叠回线为中心的空间中,回线内分布密度相对高,当空间中存在金属体时,会改变这种高阻态的分布,金属体及其附近电流线密度增大,使得空间中的瞬变电磁响应加强。
2)以重叠回线为中心的巷道空间中,存在一个响应体积空间,该空间中金属体的瞬变电磁场响应,在法线方向上随离开线圈的距离增加,观测电压值呈指数衰减,衰减速率与低阻体大小有关,体积越大则衰减速率越小;在横向上观测电压值呈指数衰减,但有明显的响应拐点,且出现在金属体从线圈内移到线圈外处。
3)试验金属物条件下,线圈法线方向金属物离开线框平面2.0~3.0m、横侧面方向金属物离开线圈框边1.0~4.0m时,其影响程度消失。其中金属干扰体的体积和面积越大,则电磁场响应体积空间就越大;反之,响应体积空间就越小。
4)测试体积空间中的金属干扰体,对瞬变电磁场观测的全程都有影响。因此需要对金属异常响应特征加以校正。
受测试时间和条件所限,对于金属干扰物件的大小及所在巷道侧帮位置等细致的影响还需进一步测试与分析。
参考文献:
[1]张平松,刘盛东,李培根,等.矿井瞬变电磁探测技术系统与应用[J],地球物理学进展,2011,26(3):1107-1114.
[2]刘树才,刘志新,姜志海.瞬变电磁法在煤矿采区水文勘探中的应用[J],中国矿业大学学报,2005,34(4):414-417.
[3]岳建华,姜志海.矿井瞬变电磁探测技术与应用[J],能源技术与管理,2006(5):72-75.
[4]于景邨,刘志新.用瞬变电磁法探查综放工作面顶板水体的研究[J],中国矿业大学学报,2007,36(4):542-546.
[5]姜志海.巷道掘进工作面瞬变电磁超前探测机理与技术研究[D],中国矿业大学,2008.
[6]孟陆波,李天斌,段铮.隧道超前地质预报中不良地质体的瞬变电磁响应特征[J],中国铁道科学,2011,32(6):69-75.
[7]武中华,李文尧.矩形线圈自感的精确表达式[J],物探化探计算技术,2011,33(5):511-516.
文章摘自:
2012年9月《安徽理工大学学报》(自然科学版)



下一篇