——劈理(二)
技术支持中心 苏敏敏 整理
一、劈理的类型技术支持中心 苏敏敏 整理
1、劈理的传统分类
长期以来,劈理的分类和命名很不一致,多数人采用的是雷思(C.K.Leith,1905)或克尼尔(J.L.Knill,1960)的分类方案。根据劈理的成因和结构将劈理划分为三种基本类型:流劈理(板劈理)、破劈理和滑劈理。
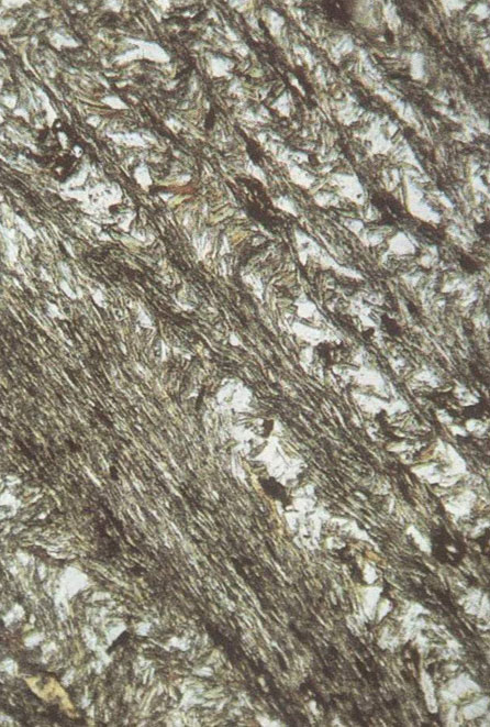
流劈理是变质岩中最常见的一种透入性面状构造,由片状、板状或扁圆状矿物或其集合体的平行排列而成,具有使岩石分裂成无数薄片的性能。是岩石在变质固态流变过程中新生的平行面状构造,岩石内部组分发生压扁、拉长、旋转和重结晶作用的结果,如图一所示。

图一 流劈理
破劈理是岩石中一组密集的剪裂面,与矿物组分的平行排列无关。其间隔一般为数毫米到数厘米。主要发育于轻微变质或不变质岩石中,如图二所示。

图二 破霹雳
滑劈理(应变劈理、折劈理)是切过先存流劈理的差异性平行滑动面。主要发育于先存鳞片变晶结构的板岩、千枚岩及云母片岩之中,如图三所示。

图三 滑劈理示意图
2、劈理的结构分类
鲍威尔(C.Mca.Powell,1979)首次提出根据劈理的域结构进行分类的方案,之后戴维斯(G.H.Davis,1984)又做了明确的阐述。
根据劈理域的特征能识别的尺度,把劈理分为二大类:
A:如果劈理域和微劈石可用肉眼鉴别,这类劈理称为不连续劈理;
B:如果劈理域很狭窄,借助偏光显微镜和电子显微镜才能分辨,则这种劈理称连续劈理。
1)连续劈理
根据劈理中的粒度或域构造发育的程度,连续劈理可分为板劈理、千枚理和片理。
板劈理:发育在细粒的低级变质岩中的透入性面状构造,以板岩中的板理最典型。矿物粒径一般小于0.2mm。板劈理使板岩具有良好的可劈性,使岩石劈成十分平整的薄板。
片理:发育在中-高级变质岩中的透入性面状构造。
千枚理:千枚理的特征介于板劈理与片理之间。主要发育在富泥质的千枚岩中,在露头上以柔和绚丽的丝绢光泽为其主要特色。
2)不连续劈理
不连续劈理根据微劈石的结构可分为两类,褶劈理和间隔劈理。
褶劈理:以一定可见的间隔切过先存连续劈理的岩石为特征。其间隔一般为0.1-10mm。褶劈理是由先存的连续劈理形成紧密相间、平行排列的微褶皱发展而来的。褶劈理面大致平行微褶皱的轴面。
间隔劈理:一般相当于破劈理,由一系列的平面交织线带、缝合线带的薄膜与其间的微劈石组成。在变质砂石与板岩互层中,变质砂岩中的间隔劈理与板岩的板劈理或褶劈理相互过渡,也说明这两类劈理在成因上有一定的联系。
劈理域一般较窄,间隔常以毫米计。在显微尺度上,多数间隔劈理的细缝中充填着粘土等不溶残余物质,形成劈理域,并能使两侧层理错开。
二、与其他构造有关的劈理
劈理作为岩石变形的产物,其形成不仅与地壳较深层次的变形变质作用相关;而且与褶皱、断裂(剪切带)和区域流变构造在几何上和成因上有着密切的关系。研究这种关系,对查明大型构造的形态和形成机制、大型构造变形的构造环境以及变形岩石的力学行为等都具有重要的意义。
1、轴面劈理
轴面劈理是指产状平行或大致平行褶皱轴面的劈理。发育在强烈褶皱的岩层中,大多为流劈理和片理。轴面劈理形成于褶皱作用过程的中晚阶段,是强烈压扁作用和剪切流变作用的结果。劈理面是典型的挤压变形面。
2、层间劈理
层间劈理是一种受岩性和层面控制的劈理。产状与层理斜交的劈理。受岩性影响显著。层间劈理常在褶皱中组合成正扇型和反扇型劈理。这种组合形成与弯滑褶皱作用有关。
3、顺层劈理
一般指宏观上与岩性界面近平行的劈理。顺层劈理是岩石在变质作用下的塑性流变过程中形成的,一般为流劈理,如图四所示。
鲍威尔(C.Mca.Powell,1979)首次提出根据劈理的域结构进行分类的方案,之后戴维斯(G.H.Davis,1984)又做了明确的阐述。
根据劈理域的特征能识别的尺度,把劈理分为二大类:
A:如果劈理域和微劈石可用肉眼鉴别,这类劈理称为不连续劈理;
B:如果劈理域很狭窄,借助偏光显微镜和电子显微镜才能分辨,则这种劈理称连续劈理。
1)连续劈理
根据劈理中的粒度或域构造发育的程度,连续劈理可分为板劈理、千枚理和片理。
板劈理:发育在细粒的低级变质岩中的透入性面状构造,以板岩中的板理最典型。矿物粒径一般小于0.2mm。板劈理使板岩具有良好的可劈性,使岩石劈成十分平整的薄板。
片理:发育在中-高级变质岩中的透入性面状构造。
千枚理:千枚理的特征介于板劈理与片理之间。主要发育在富泥质的千枚岩中,在露头上以柔和绚丽的丝绢光泽为其主要特色。
2)不连续劈理
不连续劈理根据微劈石的结构可分为两类,褶劈理和间隔劈理。
褶劈理:以一定可见的间隔切过先存连续劈理的岩石为特征。其间隔一般为0.1-10mm。褶劈理是由先存的连续劈理形成紧密相间、平行排列的微褶皱发展而来的。褶劈理面大致平行微褶皱的轴面。
间隔劈理:一般相当于破劈理,由一系列的平面交织线带、缝合线带的薄膜与其间的微劈石组成。在变质砂石与板岩互层中,变质砂岩中的间隔劈理与板岩的板劈理或褶劈理相互过渡,也说明这两类劈理在成因上有一定的联系。
劈理域一般较窄,间隔常以毫米计。在显微尺度上,多数间隔劈理的细缝中充填着粘土等不溶残余物质,形成劈理域,并能使两侧层理错开。
二、与其他构造有关的劈理
劈理作为岩石变形的产物,其形成不仅与地壳较深层次的变形变质作用相关;而且与褶皱、断裂(剪切带)和区域流变构造在几何上和成因上有着密切的关系。研究这种关系,对查明大型构造的形态和形成机制、大型构造变形的构造环境以及变形岩石的力学行为等都具有重要的意义。
1、轴面劈理
轴面劈理是指产状平行或大致平行褶皱轴面的劈理。发育在强烈褶皱的岩层中,大多为流劈理和片理。轴面劈理形成于褶皱作用过程的中晚阶段,是强烈压扁作用和剪切流变作用的结果。劈理面是典型的挤压变形面。
2、层间劈理
层间劈理是一种受岩性和层面控制的劈理。产状与层理斜交的劈理。受岩性影响显著。层间劈理常在褶皱中组合成正扇型和反扇型劈理。这种组合形成与弯滑褶皱作用有关。
3、顺层劈理
一般指宏观上与岩性界面近平行的劈理。顺层劈理是岩石在变质作用下的塑性流变过程中形成的,一般为流劈理,如图四所示。

图四 顺层劈理
4、断裂劈理
断裂劈理包括断裂带内部及其附近两盘岩石中发育的各种劈理。这些劈理是在断层形成和两盘运动过程中形成的。劈理产状与断层面斜交或近于平行,锐角指向对盘岩块相对运动方向。在韧性断层带多发育流劈理;在脆性或脆-韧性断层破碎带里,则多为破劈理和褶劈理,如图五所示。
断裂劈理包括断裂带内部及其附近两盘岩石中发育的各种劈理。这些劈理是在断层形成和两盘运动过程中形成的。劈理产状与断层面斜交或近于平行,锐角指向对盘岩块相对运动方向。在韧性断层带多发育流劈理;在脆性或脆-韧性断层破碎带里,则多为破劈理和褶劈理,如图五所示。

图五 断层劈理示意图
三、劈理的野外观察
1、区分劈理与层理
劈理是变质岩区最常见的面状构造。变质岩区的原生层理常被劈理置换或隐蔽,致使野外地质调查时把劈理误作为层理,从而导致对地质构造的错误认识。正确区别层理和劈理是变质岩区工作时要解决的首要问题。
一般来说,岩性界面往往就是层理的标志。但是,许多变形强烈的劈理化岩石中,浅色的微劈石与暗色的劈理域平行相间排列的成分分异层,极易被误认为是层理。
区分层理和劈理,一方面要洞察所观测到的平行面状构造是否存在原生沉积标志(如粒序层、交错层、波痕等),特别要注意对特殊岩性和结构构造的标志层的寻找,通过较大范围的追索,区分层理和劈理之间的几何关系和空间展布规律,如图六所示。
1、区分劈理与层理
劈理是变质岩区最常见的面状构造。变质岩区的原生层理常被劈理置换或隐蔽,致使野外地质调查时把劈理误作为层理,从而导致对地质构造的错误认识。正确区别层理和劈理是变质岩区工作时要解决的首要问题。
一般来说,岩性界面往往就是层理的标志。但是,许多变形强烈的劈理化岩石中,浅色的微劈石与暗色的劈理域平行相间排列的成分分异层,极易被误认为是层理。
区分层理和劈理,一方面要洞察所观测到的平行面状构造是否存在原生沉积标志(如粒序层、交错层、波痕等),特别要注意对特殊岩性和结构构造的标志层的寻找,通过较大范围的追索,区分层理和劈理之间的几何关系和空间展布规律,如图六所示。

A、层理 B、劈理
图六 层理与劈理
2、测定劈理参数和描述劈理结构特征
观察劈理的结构和几何形态,鉴别劈理域和微劈石的岩石化学、矿物成分及其相互关系,以确定劈理的类型。在测定劈理参数和描述劈理的结构特征时,通常需要做以下的工作:
①劈理间隔:在垂直劈理的横截面上或垂直劈理面的定向标本上来观察和测定。通常将劈理间隔分为四级:大间隔:>5mm;小间隔:0.1~5mm;微间隔:0.01~0.1mm;连续:<0.01mm。
②劈理域形态:区分劈理域是空间排列的变质矿物还是微裂隙带;注意观察劈理是交织的还是平行延伸的;以及裂面的光滑程度和晶带的连续性。
③微劈石结构:区分是否有先存的平行面状构造,观察微劈石的矿物组成、定向性以及膝折、挠曲、揉皱等结构。
3、观察劈理与层理的空间几何和关系
这种观察有助于确定褶皱的性质以及岩层的层序。如果劈理与其所在褶皱是同期纵弯褶皱作用产生的,那么劈理与层理有以下关系:
①劈理与层理所交锐角指示相邻岩层运动方向。如果劈理位于纵弯褶皱的一翼,则其向上锐角指示相邻岩层向背斜顶部运动。
观察劈理的结构和几何形态,鉴别劈理域和微劈石的岩石化学、矿物成分及其相互关系,以确定劈理的类型。在测定劈理参数和描述劈理的结构特征时,通常需要做以下的工作:
①劈理间隔:在垂直劈理的横截面上或垂直劈理面的定向标本上来观察和测定。通常将劈理间隔分为四级:大间隔:>5mm;小间隔:0.1~5mm;微间隔:0.01~0.1mm;连续:<0.01mm。
②劈理域形态:区分劈理域是空间排列的变质矿物还是微裂隙带;注意观察劈理是交织的还是平行延伸的;以及裂面的光滑程度和晶带的连续性。
③微劈石结构:区分是否有先存的平行面状构造,观察微劈石的矿物组成、定向性以及膝折、挠曲、揉皱等结构。
3、观察劈理与层理的空间几何和关系
这种观察有助于确定褶皱的性质以及岩层的层序。如果劈理与其所在褶皱是同期纵弯褶皱作用产生的,那么劈理与层理有以下关系:
①劈理与层理所交锐角指示相邻岩层运动方向。如果劈理位于纵弯褶皱的一翼,则其向上锐角指示相邻岩层向背斜顶部运动。

图七 倒转褶皱中劈理与层理的示意图
②根据纵弯褶皱的层间滑动规律,如果劈理倾向与岩层倾向相反或两者倾向相同但劈理倾角>岩层倾角,则岩层层序是正常的;如果两者倾向一致而劈理倾角<岩层倾角,则岩层层序是倒转的。
③褶皱两翼的劈理或与褶皱轴面平行、或以轴面呈对称面而对称分布。
④如果褶皱是圆柱状的,则层理与劈理的交线与所在区段的褶皱枢纽平行,都代表褶皱变形时的中间应变轴,如图八所示。
③褶皱两翼的劈理或与褶皱轴面平行、或以轴面呈对称面而对称分布。
④如果褶皱是圆柱状的,则层理与劈理的交线与所在区段的褶皱枢纽平行,都代表褶皱变形时的中间应变轴,如图八所示。

图八 圆柱状褶皱中劈理与层理示意图
4、观察劈理与岩性之间的关系
劈理一般发育在强烈变形的岩石里或变质岩区。其组构特征往往与岩石的成分和结构、构造有关。主要表现在:
①影响域构造的形态。如在粘土岩中,劈理多为平直的,间隔窄;而在砂质岩石中,其间隔较宽,节理面往往呈缝合线状或锯齿状。
②在相对强硬的岩石中,劈理的密度小,间隔宽,与层理的夹角较大;而在相对软弱的岩层中,劈理的密度大,间隔小,与层理的夹角相对较小。因而在不同的岩性层中,往往形成劈理的折射现象。
5、利用劈理特征推断岩石变形机制
有限应变测量表明,劈理一般垂直于最大压缩方向,平行于压扁面,即平行于应变椭球的XY主应变面。测量劈理面上的压力影、变形化石、鲕粒等应变现象,推测三个主应变轴方位,分析岩石变形强烈程度,了解岩石变形机制。
6、观测劈理之间的交切关系,建立劈理发育的确定先后顺序
每一期劈理的出现代表一次构造事件,因此,分析劈理的叠加关系及其劈理形成先后顺序对建立构造发展序列具有重要的意义。相交切的劈理中,一般被切割劈理形成时代早,切割其它劈理的劈理形成晚。
在岩石强烈变形的变质岩区工作时,对劈理应详细观察。除大量测量产状并均匀地标在地质或构造图上外,在好的露头点上,应对劈理做深入观察。
劈理的野外工作应注意以下五点:
①认真描述劈理的性质,区分劈理的类型,分析劈理与岩石化学成分、矿物成分及岩石结构之间的关系;
②逐层测量劈理与层理的夹角描述劈理的折射现象,进而调查劈理与岩石间的粘性差异的关系;
③结合变质岩石学的研究,观察劈理卷入重结晶的程度,研究同一组分岩石变质深浅程度和相应劈理在空间上的分带现象,揭示劈理的生成条件和埋藏深度;
④寻找劈理化岩石中的应变测量标志,诸如压力影、退色斑、变形化石、变形鲕粒等,并作测量分析,了解劈理岩石的变形状态及其与劈理发育的关系;
⑤观察劈理之间以及劈理与其它构造的生成顺序。每一期劈理代表一次构造事件,分析劈理的先后顺序对建立构造序列具有重要意义。一般被切割的劈理生成的时代早,晚期劈理延伸方向稳定,早期劈理可被褶皱或断裂以及被晚期褶皱归并和利用。为了野外记录方便,通常层理以S0表示,以S1、S2、S3……,表示不同变形期的劈理或面理;
⑥采集定向标本,为室内进行显微构造分析作准备。
劈理一般发育在强烈变形的岩石里或变质岩区。其组构特征往往与岩石的成分和结构、构造有关。主要表现在:
①影响域构造的形态。如在粘土岩中,劈理多为平直的,间隔窄;而在砂质岩石中,其间隔较宽,节理面往往呈缝合线状或锯齿状。
②在相对强硬的岩石中,劈理的密度小,间隔宽,与层理的夹角较大;而在相对软弱的岩层中,劈理的密度大,间隔小,与层理的夹角相对较小。因而在不同的岩性层中,往往形成劈理的折射现象。
5、利用劈理特征推断岩石变形机制
有限应变测量表明,劈理一般垂直于最大压缩方向,平行于压扁面,即平行于应变椭球的XY主应变面。测量劈理面上的压力影、变形化石、鲕粒等应变现象,推测三个主应变轴方位,分析岩石变形强烈程度,了解岩石变形机制。
6、观测劈理之间的交切关系,建立劈理发育的确定先后顺序
每一期劈理的出现代表一次构造事件,因此,分析劈理的叠加关系及其劈理形成先后顺序对建立构造发展序列具有重要的意义。相交切的劈理中,一般被切割劈理形成时代早,切割其它劈理的劈理形成晚。
在岩石强烈变形的变质岩区工作时,对劈理应详细观察。除大量测量产状并均匀地标在地质或构造图上外,在好的露头点上,应对劈理做深入观察。
劈理的野外工作应注意以下五点:
①认真描述劈理的性质,区分劈理的类型,分析劈理与岩石化学成分、矿物成分及岩石结构之间的关系;
②逐层测量劈理与层理的夹角描述劈理的折射现象,进而调查劈理与岩石间的粘性差异的关系;
③结合变质岩石学的研究,观察劈理卷入重结晶的程度,研究同一组分岩石变质深浅程度和相应劈理在空间上的分带现象,揭示劈理的生成条件和埋藏深度;
④寻找劈理化岩石中的应变测量标志,诸如压力影、退色斑、变形化石、变形鲕粒等,并作测量分析,了解劈理岩石的变形状态及其与劈理发育的关系;
⑤观察劈理之间以及劈理与其它构造的生成顺序。每一期劈理代表一次构造事件,分析劈理的先后顺序对建立构造序列具有重要意义。一般被切割的劈理生成的时代早,晚期劈理延伸方向稳定,早期劈理可被褶皱或断裂以及被晚期褶皱归并和利用。为了野外记录方便,通常层理以S0表示,以S1、S2、S3……,表示不同变形期的劈理或面理;
⑥采集定向标本,为室内进行显微构造分析作准备。



下一篇