——劈理(一)
技术支持中心 苏敏敏 整理
一、透入性和非透入性的概念技术支持中心 苏敏敏 整理
1、透入性构造
所谓透入性构造是指在一个地质体中均匀连续分布的构造,它反映了地质体的整体发生了变形,如图一所示。

图一 侵入性构造示意图
“非透入性”构造指那些仅仅产出于地质体的局部的构造,如断层面或节理面,变形主要集中在断层面或节理面及其附近,其间的岩块很少或没有受到变形,如图二所示。

图二 非侵入性构造

图三 透入性与非透入性的对比
面理(Foliation)是一种面状构造,包括成岩过程中形成的原生面状构造,如侵入体中的流面;以及变形变质作用过程中形成的次生面状构造,如劈理、片理及片麻理等,如图四所示。

图四 面理示意图
1、劈理的概念
劈理是指变形岩石中能沿次生的密集平行排列的潜在分裂面将岩石分割成无数薄板或薄片的次生面状构造。
2、劈理岩石的组构
劈理岩石的基本微观特征之一是具有域构造,表现为岩石中劈理域和微劈石相间平行排列,如图五所示。

图五 劈理岩石的组构
劈理域是由矿物晶带或其他难溶物质组成的三维空间实体。
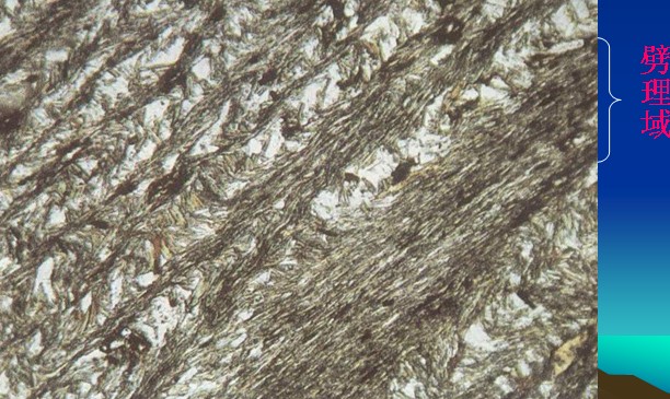
原岩的组构(指结构和构造)被强烈改造,矿物和矿物集合体的形态或晶格具有显著的优选方位,如图六所示。

图六 劈理域
① 不同劈理化岩石中劈理域的形态各异。按劈理域垂直断面上形态的平直程度,其平面度可分为平直的、粗糙的、锯齿状的和缝合线状的,如图七所示;

A、平直的 B、粗糙的 C、锯齿状的 D、缝合线状的
图七 按劈理域垂直断面上形态的平直程度划分
2) 微劈石域
微劈石域是劈理化岩石中劈理域之间的部分,由保持原岩的矿物成分和组构的微劈石组成,组构上不具定向或定向不良。
微劈石与劈理域间的边界可以是截然的,也可以是渐变的,它们紧密相间,使岩石显现出纹理,如图八所示。
3、劈理的间隔
劈理的间隔是指两劈理面垂直方向上的距离。域式劈理间隔有其相对的上下限,一般倾向于上限定在5~10cm,而下限定在0.01mm。
劈理的间隔随岩性和劈理类型不同而不同,一般砂质岩石中的劈理间隔宽,泥质岩石中的间隔窄。



下一篇